Кессон Alta Kesson АS 1500 без горловины с усиленным основанием
Пластиковый кессон для обустройства системы водоснабжения
Пластиковый кессон используют для обустройства системы водоснабжения загородного дома, дачи, коттеджа. Он облегчает доступ к оборудованию водоснабжения, обеспечивающего подачу и распределение воды из скважины или водоснабжающего колодца. Пластиковый кессон препятствует проникновению нежелательных вибраций и шумов при работе наносного оборудования в жилые помещения. Изолирует устье скважины от возможного попадания в неё грунтовых или сточных вод, а также промерзания в зимний период.
- Кессон Alta Kesson AS 1500 не подвержен коррозии и не требует дополнительного ухода во время всего срока эксплуатации – по сравнению с металлоконструкциями склонными к ржавлению без периодической обработки спецсредствами.
- Кессон Alta Kesson AS 1500 изготовлен из легкого пластика, поэтому, в отличие от железобетонного или стального, не требует монтажа строительной техникой.
- Пластиковый кессон Alta Kesson AS 1500 оснащен внутренними ребрами жесткости и не уступает по прочности кессонам из других материалов.
Дополнительно для пластикового кессона:
- Кессоны для скважины снабжены анкерными проушины и «монтажными юбками», предотвращающими всплытие кессонов при высоком уровне грунтовых вод.
(не входит в стандартный комплект пластикового кессона)
- Крышки кессонов Alta Kesson AS 1500 могут быть снабжены замочными проушинами для навесных замков.
- Для удобства обслуживания кессоны Alta Kesson AS 1500 для скважины могут быть оснащены внутренней лестницей с раскладной надземной частью, облегчающей спуск.
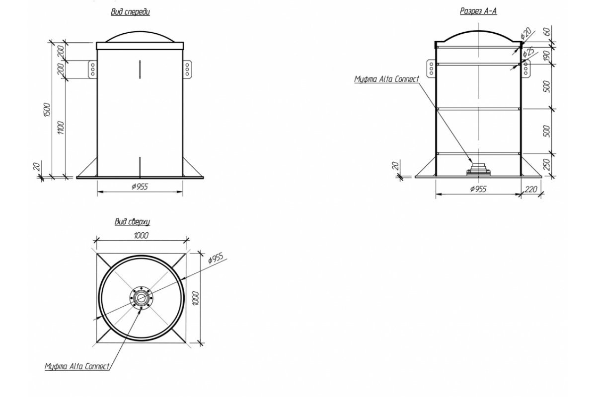
- В кессон Alta Kesson AS 1500 может быть установлена муфта Alta Connect обеспечивающая свободное отклонение скважинной трубы на 45 градусов от оси и продольное смещение трубы в муфте без потери герметичности.
- Кессон Alta Kesson AS 1500 может быть укомплектован гермовводом для заведения электрокабеля.
Габаритные размеры
Высота
1630 (мм.)
Диаметр внешний
1000(мм.)
Размер рабочей камеры (Диаметр х Высота)
955 (мм.)
Толщина основания
19 (мм.)
Основные
Вес
51(кг.)
О продукции
Страна производитель
Россия
Гарантия
36 месяцев
Похожие товары
Alta Kesson АS 2000 без горловины с усиленным основанием
Пластиковый кессон для обустройства системы водоснабженияПластиковый кессон используют для обустройс..
0 р.
Пластиковый кессон Alta Kesson B + со смещенной горловиной
Пластиковый кессон для обустройства системы водоснабженияПластиковый кессон используют для обустройс..
0 р.
Пластиковый кессон Alta Kesson BS + со смещенной горловиной и усиленным основанием
Пластиковый кессон для обустройства системы водоснабженияПластиковый кессон используют для обустройс..
0 р.
Пластиковый кессон Alta Kesson С + c увеличенной рабочей камерой
Пластиковый кессон для обустройства системы водоснабженияПластиковый кессон используют для обустройс..
0 р.
.png)


